
ZZF振動放礦機放礦機用途
??振動放礦機適用于環境溫度不超過+40℃、空氣相對濕度不大于90%的溜井、采場、溜槽和礦(料)倉。放礦機是廠礦企業作礦巖、物料放出、給料或裝車之用的理想設備,各種礦車、汽車、火車、皮帶、索道礦斗、礦井提升裝載以及鄂式破碎機等均可選用本系列振動放礦機給礦。
ZZF振動放礦機特點
- 放礦機體積小、重量輕,結構簡單緊湊,投資小;
- 放礦機安裝方便、維修量小,運行費用低;
- 放礦機因受振礦巖物料流動性增大,減少通道堵塞現象,故放礦能力大,效率高;
- 放礦機受振礦流連續、均勻、易控,礦流大小可根據需要調整,運行安全可靠;
- 放礦機在超共振狀態下工作,振幅穩定,可以頻繁起動(起動次數《200次/時),允許振動臺板上的負載有較大的波動,對各種礦巖特別是粘性礦巖物料適應性較強,并可在多塵或含水較多的環境下工作;
- 振動放礦機耗電少,節能顯著;
- 凡礦巖物料松散體重不大于2400公斤/米3 、塊度不大于1000毫米或1000毫米以下直至粉礦,均可選用本系列振動放礦機。
ZZF振動放礦機技術參數
機型符號意義
二、放礦機技術參數表:2、本系列振動放礦機均為ZDJ型,電壓380V。
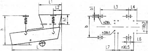
振動放礦機外形與安裝簡圖
吊二型機外型與安裝簡圖(7、9、11、13、15、17、19、33、35、38、43#機)

| 外形尺寸 | 吊掛螺栓 | |||||||||||||||
I | I1 | I2 | h | h1 | I3 | I4 | n×I5 | I6 | I7 | b | b1 | n×b2 | n2×k | n3×k1 | |||
7 | 2517 | 1660 | 592.2 | 1572 | 500 | 1338 | 563.5 | 7×178 | 280 | 178 | 1000 | 120 | 4×180 | 16×M20 | 26×M20 | ||
9 | 2629 | 1730 | 594 | 1621 | 500 | 1445 | 565 | 6×209 | 280 | 209 | 1200 | 120 | 5×184 | 16×M20 | 26×M20 | ||
11 | 2718 | 1788 | 664 | 1588 | 500 | 1450 | 634 | 7×192 | 280 | 192 | 1100 | 120 | 4×205 | 16×M20 | 26×M20 | ||
13 | 2771 | 1810 | 675 | 1688 | 500 | 1490 | 645 | 6×219 | 280 | 219 | 1200 | 120 | 5×184 | 16×M20 | 26×M20 | ||
15 | 3179 | 1896 | 667 | 1850 | 500 | 1555 | 637 | 7×204 | 300 | 204 | 1400 | 120 | 6×187 | 16×M20 | 30×M20 | ||
17 | 3183 | 2030 | 690 | 1985 | 500 | 1855 | 660 | 8×197 | 300 | 197 | 1300 | 120 | 5×204 | 16×M20 | 30×M20 | ||
19 | 3595 | 2350 | 835 | 2430 | 600 | 2100 | 805 | 8×229 | 300 | 220 | 1400 | 120 | 5×224 | 16×M20 | 30×M20 | ||
33 | 3250 | 1600 | 1000 | 2218 | 730 | 1500 | 965 | 6×205 | 300 | 150 | 1500 | 150 | 6×200 | 16×M30 | 28×M20 | ||
35 | 3240 | 1600 | 990 | 2298 | 730 | 1500 | 955 | 6×205 | 300 | 150 | 1500 | 150 | 6×200 | 16×M30 | 28×M20 | ||
38 | 3905 | 1750 | 1205 | 2567 | 730 | 1900 | 1170 | 6×240 | 300 | 120 | 1600 | 150 | 6×217 | 16×M30 | 28×M20 | ||
43 | 4300 | 1960 | 1200 | 2973 | 730 | 2100 | 1170 | 8×205 | 300 | 130 | 1200 | 150 | 10×145 | 16×M30 | 32×M20 | ||
| 外形尺寸 | 吊掛安裝 | 備注 | ||||||||
| I | I1 | h | h1 | h2 | h3 | I2 | b | ||||
| 1 | 1251 | 1200 | 1951 | 1330 | 1340 | 400 | 516 | 490 | 放礦漏斗自配,b-吊掛螺栓寬度方向中心距 | ||
| 2 | 1453 | 1400 | 2038 | 1330 | 1340 | 404 | 516 | 490 | |||
| 3 | 1867 | 1800 | 2275 | 1308 | 1368 | 500 | 870.5 | 700 | |||
| 4 | 1868 | 1800 | 2352 | 1303 | 1368 | 500 | 870 | 700 | |||
| 5 | 2278 | 2200 | 2669 | 1360 | 1407 | 600 | 999 | 800 | |||
| 外形尺寸 | 吊掛螺栓 | |||||||||||||||||
I | I1 | h | h1 | h2 | h3 | I2 | I3 | I4 | n×I5 | b | n1×b1 | b2 | b3 | n2×k | n3×b1 | 2×k2 | |||
21 | 3035 | 1550 | 2560 | 1960 | 800 | 600 | 1340 | 800 | 250 | 10×145 | 1124 | 6×200 | 892 | 250 | 8×M30 | 32×M20 | 2×M48 | ||
23 | 3308 | 1700 | 2625 | 2120 | 800 | 600 | 1686 | 900 | 250 | 8×200 | 1224 | 9×150 | 992 | 250 | 8×M30 | 34×M20 | 2×M48 | ||
25 | 3577 | 1700 | 2620 | 2230 | 800 | 600 | 1778 | 900 | 250 | 8×200 | 1324 | 10×145 | 1062 | 250 | 8×M30 | 36×M20 | 2×M48 | ||
29 | 4327 | 1800 | 2890 | 2630 | 800 | 600 | 2190 | 1000 | 250 | 10×170 | 1524 | 10×155 | 1262 | 250 | 8×M30 | 40×M20 | 2×M48 | ||
31 | 4567 | 1600 | 2700 | 2620 | 800 | 700 | 2226 | 900 | 250 | 10×150 | 924 | 9×145 | 912 | 250 | 8×M30 | 38×M20 | 2×M48 | ||
蘇公網安備 32062102000184號